Reaktyvioji galia - tai kintamos srovės elektros energija, kuri cirkuliuoja tarp elektros energijos šaltinio ir vartotojo elektros įrenginių, neatlikdama naudingo darbo. Dėl reaktyviosios elektros energijos cirkuliacijos elektros linijose atsiranda papildomi aktyviosios elektros energijos nuostoliai (šyla kabelinės linijos).
Jei vartotojo elektros įrenginiai yra induktyvaus pobūdžio (pvz., šaldytuvai, skalbimo mašinos, dulkių siurbliai, asinchroniniai varikliai, elektriniai suvirinimo aparatai, apšvietimo lempos ir pan.), laikoma, kad vartotojo elektros įrenginiai vartoja reaktyviąją elektros energiją. Jei vartotojo elektros įrenginiai yra talpinio pobūdžio (pvz., kondensatoriai, kondensatorių baterijos, LED šviestuvai ir pan.), manoma, kad vartotojo elektros įrenginiai generuoja reaktyviąją elektros energiją.
Reaktyvioji elektros energija yra apskaitoma komerciniais elektros apskaitos prietaisais ir matuojama kVArh („kilovarvalandėmis“). Už reaktyviąją elektros energiją moka vartotojai (juridiniai objektai), kurių objektų leistinoji naudoti galia yra 30 kW ir daugiau.
Už reaktyviosios elektros energijos generavimą į elektros tinklą mokama po 12 ct/kVArh, o už reaktyviosios elektros energijos vartojimą - 6 ct/kVArh.
Reaktyvioji galia - atsispindi Jūsų sąskaitoje už elektros energiją ir dalis eilutės Jūsų sąskaitoje už aktyviąją energiją (nuostoliai kabeliuose). Šias eilutes lengva ženkliai sumažinti, tinkamose vietose sumontuojant reaktyviosios galios kompensavimo įrangą - kondensatorius, kontaktorius, valdiklius.
Į klausimą „kam reikalinga kompensacija?”- atsakymas paprastas - sumažinti sąskaitos sumą už elektros energiją. Tačiau ne tik! Dar - sumažinti nuostolius kabeliuose ir transformatoriuose!
Elektros energija susideda iš 2 komponentų - aktyviosios ir reaktyviosios energijos. Aktyvioji energija yra energijos rūšis, kuri atlieka aktyvų darbą - prietaisai sunaudoja šią energiją darbui arba ji paverčiama kitokio tipo energija, pavyzdžiui, mechanine. Reaktyvioji energija neatlieka aktyvaus darbo.
Stipriai nesigilinant, reaktyvioji energija nėra naudinga energija, ir įmonės turėtų stengtis ją kuo labiau sumažinti. Taigi reaktyvioji energija neatlieka aktyvaus darbo, tik padidina bendrą įrenginiui veiktii reikalingą energijos kiekį. Reaktyviosios energijos ir pilnutinės energijos santykis vadinamas galios koeficientu.
Galios koeficientas apibūdina efektyvų energijos suvartojimą. Kuo mažesnis galios koeficientas, tuo mažesnis efektyvumas. Dėl to, esant mažam galios koeficientui, elektros įranga neveikia vardiniu efektyvumu.
Elektros įrenginiai (elektros varikliai, suvirinimo transformatoriai, jėgos transformatoriai, dienos šviesos lempos) normaliu eksploatacijos režimu iš elektros tinklo naudoja ne tik aktyviąją, bet ir reaktyvinę energiją.
Naudojant abi energijas perkraunami elektros perdavimo tinklai. Išeitis - prijungti tinkamo galingumo kondensatorių, kuris perduotų reaktyvinę energiją imtuvui, kuriam jos reikia. Tokiu atveju sumažėja reaktyvinės energijos apkrova elektros tinkluose. Toks sprendimas vadinamas reaktyvinės galios kompensavimu.
Kompensacijos kokybė apibūdinama galios koeficientu cos φ, tai aktyvios ir visos galios santykis. Idealus santykis yra tuomet, kai cos φ= 1.
Problemos, Kylančios Dėl Reaktyviosios Galios
- Atsiranda papildomų energijos nuostolių bendrajame paskirstymo tinkle
- Transformatorių su ribota aktyviaja galia perkrova ir perkaitimas
- Įtampos kritimas dėl sensorinių apkrovų avarinio veikimo
- Įtampos svyravimai nepataisomai gali sugadinti jautresnius elektronikos įrenginius
- Sumažėja variklių ir transformatorių eksploatacijos laikas
- Dalis elektros energijos perduodama atgal į tinklą už kurią energijos tiekėjui yra mokamos baudos
Dėl reaktyvinės galios:
- padidėja aktyviniai nuostoliai;
- daugiau reikia mokėti už elektros energiją;
- padidėja įtampos kritimas;
- sumažėja variklių ir transformatorių eksploatacijos laikas.
Sumažinti šiuos reiškinius leidžia šiuolaikinės reaktyvinės energijos kompensavimo sistemos. Jų privalumai:
- mažiau reikia mokėti už elektros energiją;
- sumažėja aktyviniai nuostoliai;
- sumažėja įtampos kritimas;
- padidėja variklių ir transformatorių eksploatacijos laikas.
Reaktyvinės energijos kompensavimo įrenginių reikalauja ir „Elektros energijos tiekimo ir naudojimo taisyklės":
- 45.6. įrengti, naudoti ir eksploatuoti savo elektros įrenginius taip, kad jie neblogintų elektros energijos kokybės;
- 96.1. kai vartotojas nesilaiko optimalaus reaktyviosios galios, naudojamos iš elektros tinklo, dydžio ir kompensavimo įrenginių darbo tvarkos, jis privalo apmokėti už suvartotą ir (ar) į operatoriaus tinklą perduotą reaktyviąją energiją. Per parą bet kurį momentą reaktyviosios galios balansas elektros energijos persiuntimo paslaugos pirkimo ir pardavimo vietoje turi būti lygus 0 (nuliui).
Mastering Capacitors with Animation: Charging, Energy Storage, and Derivation Explained!
Reaktyviosios Galios Kompensavimo Sistemos
Reaktyviosios elektros energijos valdymui yra naudojamos reaktyviosios elektros galios kompensavimo sistemos - iš esmės sudarytos iš kondensatorių baterijų ir jų automatinės valdymo įrangos. Tam tikslui reikalingas tikslus reaktyvios galios įrangos parinkimas.
Yra specialūs prietaisai, kurie sumažina reaktyviosios energijos poveikį. Jie vadinami reaktyviosios energijos arba reaktyviosios galios kompensavimo valdikliais. Šie prietaisai matuoja elektros linijų galios koeficientą ir pagal matavimo rezultatą prijungia prie tinklo kondensatorių baterijas.
Kiti reaktyviosios energijos kompensavimo valdikliai naudoja srovės matavimo transformatorius, kad matuotų galios koeficientą vienoje fazėje 3 fazių tinkle. Tada jie tiesiog daro prielaidą, kad kitos 2 fazės turi identiškus matavimo rezultatus.
Naudojami šie kompensacijos tipai: individuali, grupinė ir centrinė. Individuali kompensacija yra tuomet, kai kondensatorius prijungtas tiesiai prie vartotojo. Grupinė ir centrinė kompensacijos naudojamos tuomet, kai yra kintama srovės apkrova. Kondensatorių įjungimą reguliuoja mikroprocesorių reguliatorius, kuris nustato tinkamiausią galios koeficientą.
Kaip galima išspręsti su reaktyviaja galia kylančias problemas? Geriausias būdas iki minimumo sumažinti reaktyviąja energiją yra naudoti reaktyviosios galios kompensacijos sistemas kurios apima naudojimą kondensatorių arba variklių, kurie kompensuoja arba suvartoja reaktyviąją galią. Kondensatoriai naudojami kaip reaktyviosios galios šaltiniai, o varikliai - kaip reaktyviosios galios vartotojai. Ši priemonė sumažina reaktyviąją galia, pagerina efektyvumą ir stabilumą elektros sistemoje.
Reaktyvinės galios kompensavimo įrenginių efektyvumas yra nuo 75 iki 97 proc., priklausomai nuo valdiklio, esančių įrenginių galingumo ir apkrovos intensyvumo, kompensavimo įrangos ir kompensavimo programos parinkimo.
Kompensavimo Įrenginio Parinkimas
Kompensavimo įrenginiai parenkami pagal vartotojo naudojamą maksimalią reaktyvinę galią. Norint tiksliai nustatyti, kaip kinta reaktyvinės galios dydis, koks yra tinklo įtampos netiesinių iškraipymų faktorius, rekomenduojama atlikti keletą matavimų su tinklo analizatoriumi.
Tais atvejais, kai reaktyvinės galios vartojimas būna mažai kintantis (t.y. palyginti pastovus dydis, per ilgą laiko periodą), reaktyvinės galios skaičiavimas gali būti atliekamas pagal komercinės apskaitos reaktyvinės energijos parodymus.
Kompensacinio Įrenginio Parinkimas Pagal Elektros Energijos Skaitiklio Duomenis
Jeigu vartojamos reaktyvinės galios dydis yra pastovus arba mažai kintantis, tada elektros energijos skaitiklio duomenys per fiksuotą periodą gali būti naudojami skaičiavimui. Fiksuotas periodas paprastai yra pilna darbo diena, pavyzdžiui, aštuonios valandos.
Asinchroninio variklio vartojama reaktyvinė srovė yra pakankamai stabili prie bet kokio apkrovos režimo. Variklio reaktyvinė srovė sudaro 90% tuščios eigos srovė. Variklių gamintojas lentelėje pateikia duomenis, pagal kuriuos mes galime suskaičiuoti reikiamą kompensuoti galią.
Paprastai variklių galios koeficientas būna <0.9, variklių reaktyvinė galia sudaro apie 30% aktyvinės galios. Variklio su mažesniais apsisukimais (750min-1) cos (f) koeficientas būna mažesnis, todėl reaktyvinė galia siekia 50% aktyvinės galios.
Esant tiesioginio paleidimo varikliui, kondensatorius gali būti jungiamas lygiagrečiai varikliui. Kondensatorius bus prijungtas už šiluminės relės.
Žvaigždė - trikampis paleidimo sistemos kondensatorius įjungiamas tada, kai variklis perjungiamas į trikampį.
Galios transformatorius dažniausiai įjungtas netgi tada, kai visas apkrovimas yra išjungtas. Tuo atveju, kai elektros energijos apskaita yra įrengta transformatoriaus aukštos įtampos pusėje ir matuoja transformatoriaus naudojamą reaktyvinę galią, yra aktualu prijungti individualaus kompensavimo kondensatoriaus bateriją.
Vardinis tiekiamos įtampos dažnis turi būti 50 Hz. Normaliomis darbo sąlygomis vidutinis sistemos pagrindinės harmonikos dažnis per 10 s turi būti 50 Hz ±1%, t. y. nuo 49,5 iki 50,5 Hz. Svarbu tai, jog toks dažnis turi būti 99,5% per metus.
Tiekiamos įtampos asimetrija - tai trifazės sistemos būsena, kai fazių įtampų vidutinės vertės arba fazių tarpusavio kampai nelygūs. Kai kuriose vietose, kur vartotojo įrenginiai yra iš dalies vienfaziai arba dvifaziai, trifazė įtampos asimetrija elektros tinklo nuosavybės ar eksploatavimo atsakomybės ribos taškuose gali pasiekti 3%.
Tiekiamos įtampos netiesinių iškraipymų faktorius (įtampos nesinusiškumas) turi būti mažesnis arba lygus 8% (įskaitant visas harmonikas iki 40).
Tiekiamos (gaminamos) elektros tinklo įtampos vardinė reikšmė yra 230V ir nustatomos leistinos nuo -10% iki +10% darbo įtampos ribos, t. y. nuo 207 V iki 253V.
Kodėl Reaktyviosios Galios Kompensavimas Yra Ekonomiškai Naudingas?
Reaktyvinės galios kompensavimo įrenginių efektyvumas yra nuo 75 iki 93 proc., priklausomai nuo valdiklio, esančių įrenginių galingumo ir apkrovos intensyvumo, kompensavimo įrangos ir kompensavimo programos parinkimo.
Įdiegus reaktyviosios energijos kompensavimo įrenginį būtų galima sutaupyti nuo 75 iki 93 proc. išlaidų už reaktyvinę galią. Investicijos atsiperka per 2-3 metus, reaktyvinės galios kompensavimo sistemos tarnavimo laikas - ne mažiau negu 10 metų.
Reaktyvioji galia elektros tinkluose nulemia įtampos lygius, o jos perdavimas elektros tinklais didina aktyviosios galios ir energijos nuostolius, reikalauja didesnių elektros linijų skerspjūvių.

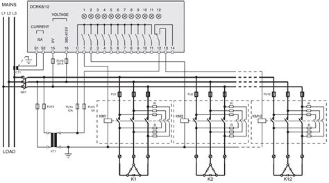
Reaktyviosios galios kompensavimo schema

Reaktyviosios galios kompensavimo sistemos pavyzdys
Mūsų Siūlomi Veiksmai
Jei jūsų elektros tiekejo sąskaitose yra punktas reaktyvioji energija, už tai mokate elektros tinklams baudas ir jūsų elektros įvadas yra bent 30 kw, tada susisiekite su mumis ir mes imsimės darbo:
- Įvertinsime ar jūsų atveju sistema bus finansiškai naudinga
- Atitikus reikiamus kriterijus suplanuosime pirminį vizitą, atliksime tikslius skaičiavimus.
- Pateiksime pilną ataskaitą apie jūsų įvado būklę, pateiksime jums geriausiai tinkančios galios kompensavimo sistemos komercinį pasiūlymą.
- Pagal atliktus skaičiavimus suprojektuosime galios kompensavimo sistemą bei ją įdiegsime jums patogiausiu, iš anksto sutartu laiku.
Įdiegus reaktyviosios energijos kompensavimo įrenginį galima sutaupyti nuo 75 iki 97 proc. išlaidų už reaktyvinę galią.