Veiksminga temperatūros kontrolė yra esminis veiksnys, padedantis pasiekti malonų patalpų mikroklimatą namie, biure ir viešose patalpose, pvz., ligoninėse, viešbučiuose, sporto ir prekybos centruose.

Centrinio šildymo sistemos
Centrinio šildymo sistemos vis labiau populiarėja dėl savo energetinio veiksmingumo. Gyvenamųjų mikrorajonų šildymo sistemoje šiluma generuojama centrinėje katilinėje, iš kur vamzdžiais keliauja į kelis pastatus. Šilumai gaminti naudojami įvairūs šaltiniai, įskaitant naftos, gamtinių dujų deginimą bei geoterminius šaltinius.
Garo šildymo sistemų pagrindai hvacr
Šildymo tinklas - geras šilumos šaltinis. Šildymo tinklo tiekiama karšta terpė yra labai aukšto slėgio ir aukštos temperatūros. Naudojami šilumokaičiai, kurie perneša šilumą iš šildymo tinklo terpės į vandenį būsto centrinio šildymo sistemoje.
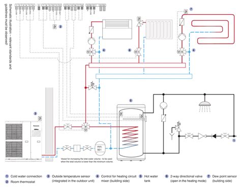
Automatinis temperatūros reguliavimas
Sistemoje yra įrengtas automatinis centrinio šildymo temperatūros reguliavimas. Šildymo kontūras reguliuojamas termostatu pagal kambario temperatūrą. Automatinis temperatūros reguliatorius valdo šildymui naudojamo skysčio (termostato) temperatūrą. Jis matuoja skysčio temperatūrą šilumokaityje ir automatiškai reguliuoja ištekantį srautą. Energijos tiekėjas registruoja energijos suvartojimą.
SWEP lituoti plokšteliniai šilumokaičiai
SWEP lituoti plokšteliniai šilumokaičiai, pagaminti iš nerūdijančio plieno šilumos mainų plokštelių, sulituotų variu, pasižymi kompaktiškumu bei užtikrina efektyvų šilumos perdavimą. “SWEP” patirtis ir produktų įvairovė - tai ko Jums reikia šildyti patalpas. Vienas iš daugelio lituotų šilumokaičių modelių - įprastas pasirinkimas gyvenamųjų patalpų ir vandentiekio vandens šildymo sistemose.

SWEP šilumokaičiai gaminami taikant patikimas ir išbandytas technologijas. Prieš pristatant visi sulituotieji plokšteliniai šilumokaičiai yra patikrinami dėl nuotėkių ir atsparumo slėgiui. Nerūdijančių plokštelių sulitavimo technologija leidžia išvengti tarpinių bei storų rėmo plokštelių naudojimo. Kontaktiniuose taškuose litavimo medžiaga atlieka surišimo bei sandarinimo funkcijas. SWEP sulituotieji šilumokaičiai visada lituojami visuose kontaktiniuose taškuose: taip užtikrinamas optimalus šilumos perdavimo našumas ir atsparumas slėgiui. Plokštelės sukurtos taip, kad tarnautų kaip įmanoma ilgiau.
Konstrukcinės parinktys
Sulituotųjų šilumokaičių konstrukcinių parinkčių spektras yra itin platus. Priklausomai nuo poreikių ir darbinių specifikacijų, gaminami įvairių plokštelių konfigūracijų šilumokaičiai. Sulituotasis šilumokaitis gali turėti vieną, du ir daugiau praėjimų. Galima rinktis iš plataus jungčių rato. Siekiant užtikrinti patį efektyviausią šilumos perdavimo procesą, baziniu tėkmės principu sulituotojo šilumokaičio (šildymo, vėdinimo ir oro kondicionavimo) užduotims atlikti yra pasirinktas lygiagretusis priešpriešinis tėkmės principas. Šilumokaičio izoliaciją yra lengva surinkti ir išrinkti.