Automatiniai jungikliai atlieka labai svarbią funkciją - saugo laidus nuo perkaitimo ir užsidegimo, o taip pat apsaugo nuo gaisro. Apsaugoti laidus reikia nuo per didelės srovės, kurios jie negali praleisti per save neįkaisdami. Logiškai kyla klausimas - iš kur gali atsirasti per didelė srovė? Atsirasti ji gali dėl trumpo sujungimo, kurio metu iškart atsiranda didžiulė srovė, arba įvykus perkrovai, t.y., kai per laidą teka didesnė srovė, negu leidžia jo storis, bet ne tokia didžiulė, kaip trumpo susjungimo metu.
Taigi, automatai saugo nuo trumpo sujungimo ir perkrovos. Elektromagnetinis išjungėjas saugo nuo trumpo sujungimo, o šiluminis išjungėjas saugo nuo ilgalaikių perkrovų.
Parduotuvėse visų gamintojų automatai sužymėti vienodai - raidėmis (B, C, D) ir skaičiais (6, 10, 16, 25…). Skaičiumi žymima nominali srovė (tokia srovė, kurią automatas gali praleisti per save pastoviai ir be jokių pasekmių). Raidė parodo automato srovės charakteristiką. Kaip tik nuo jos priklauso, kokiai srovei esant automatas išsijungs. Pavyzdžiui, turime tris automatus, kurių nominali srovė - 16 amperų: - B16, C16 ir D16.
Šiluminis išjungėjas pradės kaisti, kai srovė viršys nominaliąją 1,2-1,5 karto ir suveiks tuo greičiau, kuo jautresnis automatas. Dažniausiai neturime galimybės rinktis įvadinio automato, t.y., to, kuris stovi prieš skaitliuką - jį savo nuožiūra stato ESO. Jo pagalba ESO riboja išskiriamą galią ir garantuoja trumpojo sujungimo selektyvumą, kad jūsų tinkle įvykęs trumpas sujungimas neišjungtų visos paskirstymo linijos. Visa kita - mūsų pasirinkimas. Rozetėms puikiai tiks B 16 automatai. Ūkinės paskirties statiniuose, kur gali būti jungiami įvairūs prietaisai su elektriniais varikliais, geriau rinktis automatus, kurių charakteristika C - C16. Naudojant automatus su didesniu nominalu, būtina pravesti storesnį kabelį.
Svarbu žinoti, kad įvykus trumpam sujungimui, to nepavyks išvengti. Srovė trumpo sujungimo grandinėje bus vienoda visuose automatuose ir bus vienodai didelė - šimtai amperų. Galimybė išjungti automatus paeiliui yra vadinama selektyvumu. Selektyvumas čia reiškia, kad išjungiamas yra artimiausias apkrovai automatas, ir tik po to - sekantys.
Kaip minėta anksčiau, dažniausiai įvade būna statomi paprasti automatai su charakteristika C, taigi, nepakeitus jo, užtikrinti selektyvumo nėra galimybių. Tačiau galime selektyvumą organizuoti apkrovos atveju, jei namie pastatysime automatą su charakteristika B. Pabaigai, belieka pridurti, kad pasirinkti automatus, kaip ir visus apsaugos įtaisus, rekomenduojama projektavimo stadijoje.
Svarbu žinoti, koks yra mūsų vidinis tinklas: vienfazis ar trifazis. Pagal įvadinį (galią ribojantį) automatą galime suprasti, kokį galingumą turime. Svarbiausias momentas - suprasti, ar kabelis atlaikys didesnį galingumą. Kitais žodžiais - negalima tiesiog paimti ir padidinti galingumo.
Electrical Engineering: Ch 13: 3 Phase Circuit (6 of 42) A 4 Wire 3 Phase System
Toliau pateiksiu pavyzdį, kaip viskas veikia. Tarkime, mes turime 9 kilovatus, o dabar mums reikia 14 kilovatų. Identifikavome, kad mūsų tinklas yra 3 fazių ir kabelis yra 10mm2. Pagal kabelių parinkimo lentelę 10mm2 kabelis atlaiko iki 50A srovę (3 fazių tinkle). Patiksliname, kad 14 kilovatų - tai 25A. Ar pataikome? Taip.
Jeigu yra sunku susigaudyti su aukščiau pateiktomis lentelėmis, kabelių skerspjūviais ir kitais skaičiavimais - kreipkitės į specialistus.
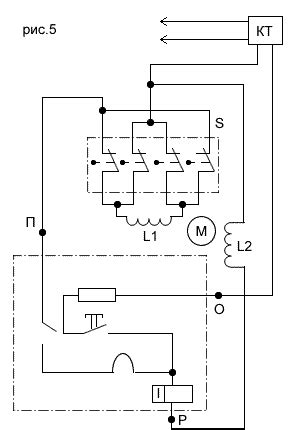
Paveikslėlyje apačioje pateikta paprasčiausia trifazio variklio paleidimo schema. Tarkim, kad automatinis jungiklis QF1 įjungtas ir į jungiklį paduota įtampa. Vartotojas nuspaudė mygtuką “Start”. Tada suveikia KM1 magnetinis paleidiklis ir variklis pradeda suktis. Dėl kokių nors priežasčių dingus įvado įtampai arba suveikus automatiniam jungikliui QF1 magnetinio paleidiklio kontaktai atsileis ir variklis sustos. Po to jei bus vėl paduota įvadinė įtampa ir įjungtas jungiklis QF1 tai magnetinis paleidiklis automatiškai nesuveiks ir variklis nepasileis tol, kol vėl nebus paspaustas mygtukas “Start”.

Nedarykite pagrindinių klaidų pasirinkdami laidininką: laidininku pratekančios srovės dydis nepriklauso nuo įtampos, t.y. ar įtampa bus 5V, ar 12V, ar 220V, ar 380V: bet kokiu atveju 1,5 kvadrato vienu variniu laidu „kabančiu ore“ (viena gysla) tekanti ilgalaikė srovė neturi viršyti 23A. 220V įtampos grandinėse naudojame dvi gyslas: fazę (L) ir nulį (N), vadinasi per šiuos abu laidus tekės srovė, ir jei tai kabelis (2, ar 3 gyslų) srovė neturi viršyti 18A. Trečia gysla - įžeminimas. Šia gysla srovė tekės tik avariniame režime.
Aliuminio specifinė varža (kai kur naudojama savitoji varža) lygi 0,028. Vario specifinė varža lygi 0,017. Arba vario 1 km. 1.5 kvadrato gyslos varža yra: 11.5 omai, aliuminio: 17.7 omo. 2.5 kvadrato vario: 6.9 omo, aliuminio: 10.6 omo.
Panaudojimas: 6 kvadratų varis, arba 10 kvadratų aliuminis. Renkame trigyslį kabelį (vienfaziam tinklui), vadinasi varis leis 40A, aliuminis leis 42 A. Žiūrim varžą: 6 varis: 2.9 omo/km, 10 aliuminis: 2.7 omo/km.
Dažniausiai įvadinis kabelis būna iki 100 m. ilgio. Imkim patį nedėkingiausią variantą: 100 m. Vadinasi vario varža bus 0.29 omo/100 metrų, aliuminiui bus 0.27 omo/100 metrų. Omo dėsnis: I = U/R, arba įtampos kritimas mūsų ką tik parinktuose kabeliuose bus U=IR, arba skaičiais: Variui - U = 40 amperų * 0.29 = 11.6 V; Aliuminiui - U = 40 amperų * 0.27 = 10.8 V.
Šie skaičiai reiškia, kad įvadiniame skyde esant 230V įtampai, prie maksimalios panaudojamos galios (40A) jūsų buto (namo) skydelyje liks tik: 230V - 11.6 V (10.8) = 218.4 (219.2) voltų. Kai srovė bus lygi nuliui (bus įjungtas tik mobilaus telefono pakrovėjas) įvade esanti įtampa bus lygi jūsų buto (namo) skydelio įtampai. Krentanti galia 100m. kabelyje (arba, kodėl kabelis perkaista): P = UI.
Jei šiluma nesugebės išsiskirstyti (kabelis pravestas akmens vatoje), kabelis kais, kol kažkuriuo momentu išsilydys plastmasinė izoliacija, ir susilies fazės gysla su nulio, ar įžeminimo gysla. Įvyks trumpas jungimas. Klosite naują kabelį.
Pateikiama lentelė su kabelių ir automatinių jungiklių parametrais:
| Kabelio skerspjūvis (mm2) | Medžiaga | Srovės stipris (A) | Rekomenduojamas automatinis jungiklis (A) |
|---|---|---|---|
| 1.5 | Varis | 18 | 16 |
| 2.5 | Varis | 25 | 20 |
| 6 | Varis | 40 | 32 |
| 10 | Aliuminis | 42 | 32 |
Pavyzdys trifazio tinklo apkrovai:
Pavyzdys galios apskaičiavimui (kai įvadui turime 3F 25A): P= 25 * 1.7320508 * 0.38* 0.90 * 0.92=13.62kW
Pavyzdys kabelio parinkimui: jeigu turime 3F 14kW, tai 3F kabelį parenkame namui, kuriame bus elektrinė viryklė, stacionarus vandens pašildymas, jungiami elektros varikliai: I=14/(1.7320508 * 0.38 * 0.9) = 23.63A, kas atitinka 4.0mm2 varinį kabelį.
Tačiau reikia nepamiršti, kad dažnai naudojama nesinchroninė apkrova (naudojant 1F prietaisus), be to, reikia įsivertinti įtampos kritimą dėl varžos (kabelio ilgis - nuo kabelio varžos priklausys, ar suveiks Jūsų įvadinė apsauga), todėl mes rekomenduojame 5×6 varinį kabelį (5 gyslų 6mm2), įveriant į PVC techninį vamzdį, kasant apie 1m. gylyje.
Praktikoje kloti 6 kvadratų varinį kabelį namo įvadui galima (arba 10 kvadratų aliuminį), tačiau siūlytumėme numatyti ateitį, ir priklasomai nuo situacijos (atstumai, galimi poreikiai) pasikloti 16, ar net 25 kvadratų aliuminį kabelį. Siūlomas aliuminis kabelis yra pasirenkamas dėl kainos, aliuminis bus kartais pigesnis nei varis.
Svarbu: 16A automatas leis turėti 220V * 16A = 3.52 KW.
Remiantis pateikta informacija, galima daryti išvadą, kad teisingas automatinio saugiklio parinkimas trifaziam varikliui yra svarbus ne tik variklio, bet ir visos elektros instaliacijos saugumui. Tinkamai parinktas saugiklis apsaugos nuo perkrovų ir trumpųjų jungimų, užtikrins selektyvumą ir leis efektyviai išnaudoti elektros tinklo galią.