Kolektorinis šildymas vis dažniau tampa pagrindiniu pasirinkimu tiek naujai statomuose, tiek renovuojamuose namuose. Ši sistema pasižymi ne tik efektyvumu, bet ir patogumu, nes leidžia individualiai reguliuoti kiekvienos patalpos temperatūrą bei optimizuoti energijos sąnaudas.

Kas yra kolektorinis šildymas?
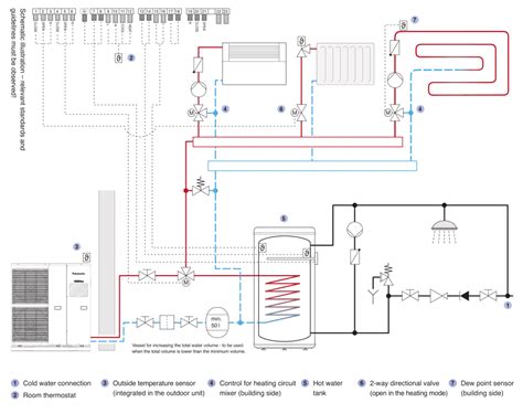
Kolektorinis šildymas - tai sistema, kurios veikimo pagrindas yra šilumos paskirstymas per specialų kolektorių. Kolektorius - tai tam tikras mazgas, prie kurio prijungiami visi šildymo kontūrai. Kiekviena patalpa ar šildymo zona turi atskirą grandinę, per kurią teka šilumnešis (dažniausiai vanduo arba specialus skystis). Tai skiriasi nuo tradicinių sistemų, kuriose radiatoriai jungiami nuosekliai.
Kodėl verta rinktis kolektorinį šildymą?
Viena pagrindinių priežasčių, kodėl vis daugiau žmonių renkasi kolektorinį šildymą, yra jo universalumas ir modernumas.
Kaip veikia kolektorinė šildymo sistema?
Kolektorinė šildymo sistema veikia cirkuliacijos principu. Šildymo katilas arba šilumos siurblys pašildo šilumnešį iki nustatytos temperatūros, tada šis per pagrindinius vamzdžius patenka į kolektorių. Kolektoriuje šiluma paskirstoma į kiekvieną šildymo kontūrą, t. y. į konkrečias patalpas ar zonas.
Dėl šio veikimo principo kolektorinis šildymas ypač efektyviai veikia kartu su grindiniu šildymu. Grindinis šildymas reikalauja tolygaus ir žemesnės temperatūros šilumnešio tiekimo, o kolektorius tai užtikrina idealiai.
Saulės vandens šildymo plokščiosios plokštės ir vamzdiniai kolektoriai
Kolektorinio šildymo tipai
Pagal šilumos paskirstymo būdą ir naudojamus vamzdžius kolektorinės sistemos gali būti skirtingų tipų:
- Grindinis šildymas: populiariausia kolektorinio šildymo forma.
- Radiatorinis šildymas: tradicinis būdas, tačiau su kolektoriumi tampa efektyvesnis.
- Kombinuotas šildymas: kai kuriais atvejais šios sistemos gali būti derinamos, pavyzdžiui, grindinis šildymas pirmame aukšte, o radiatorinis - antrame.
Kolektorinio šildymo įrengimas ir priežiūra
Kolektorinio šildymo įrengimas reikalauja profesionalaus požiūrio ir tikslaus planavimo. Pirmiausia turi būti parengtas šildymo projektas, kuriame numatomas vamzdynų ilgis, kontūrų skaičius bei reikiamas šilumos kiekis kiekvienai zonai.
Nors pati sistema gali atrodyti sudėtinga, jos priežiūra nėra sudėtinga. Reikia tik reguliariai tikrinti slėgį, pašalinti orą iš kontūrų ir užtikrinti, kad termostatai veiktų tinkamai.
Ar galima įrengti kolektorinį šildymą renovuojamame name?
Taip, kolektorinę sistemą galima įrengti ir renovuojamuose pastatuose, tačiau reikėtų įvertinti izoliaciją bei grindų konstrukciją.
Kiek kainuoja kolektorinis šildymas?
Kaina priklauso nuo namo ploto, pasirinktos sistemos tipo ir įrangos kokybės. Kokybiškai įrengta ir tinkamai prižiūrima sistema gali tarnauti 30 ir daugiau metų.
Kolektorinis šildymas - tvarus pasirinkimas
Kolektorinis šildymas - tai ne tik patogumas, bet ir tvarus pasirinkimas. Modernūs termostatai bei automatinio valdymo sprendimai leidžia maksimaliai išnaudoti energiją. Naudojant atsinaujinančius energijos šaltinius, pavyzdžiui, geoterminį ar saulės šildymą, ši sistema tampa itin ekologiška.

tags: #termostatas #kiekvienai #patalpai